建築設計者様へDesignOffice高級車の技術に裏付けされた『安心・安全な性能』を提供します。
メリット➀ 確かな床遮音性能
- 業界初!! 厚さ43mmで⊿LL(Ⅱ)-3S、⊿LH(Ⅱ)-2Sを実現
- 日本建築総合試験所で床衝撃音レベル低減量の試験実施
床衝撃音レベル低減性能
| 推定L等級 | 軽量: LL-45 |
|---|
| ⊿L等級 | 軽量: ⊿LL(Ⅱ)-3S |
|---|---|
| 重量: ⊿LH(Ⅱ)-2S |
| 周波数 | 床衝撃音レベル低減量(dB) | |
|---|---|---|
| 軽量 | 重量 | |
| 63 | - | -0.7 |
| 125 | 7.9 | -4.6 |
| 250 | 15.9 | -0.3 |
| 500 | 25.1 | -1.9 |
| 1K | 35.5 | |
| 2K | 51.3 | |
耐荷重性能
沈み込みが小さく、遮音性能を担保しながら、歩行感も良好です。
| 局部集中荷重試験 | |
|---|---|
| 載荷質量(kg) | 変位量(mm) |
| 100 | 2-3 |
| 等分布積載荷重試験 | |
|---|---|
| 載荷質量(kg) | 変位量(mm) |
| 200 | 1.5 |
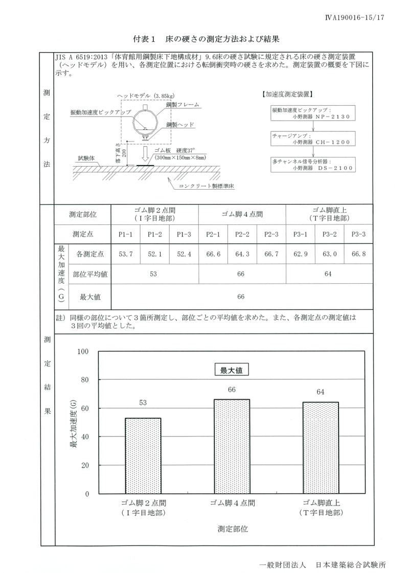
衝撃吸収性能
床の衝撃吸収性に優れており、転倒衝突時の床硬さは畳同等レベルです。
| 最大加速度(G値) |
|---|
| 53-66 |
日本建築総合試験所 試験報告書
メリット➁ 空間高さがとれる
厚さ43mmだから出来る空間と納まり
- 低床で天井高を確保
- 窓サッシ下の納まりが良い
天井高の確保
空間の高さを確保できる
サッシとの取り合い
サッシ敷居下で納まる
メリット➂ 省施工
OYジョイント(特許出願済)による省施工、省音施工
- OYジョイント工法は釘、ビス、接着剤不要
- 施工時間 50m²で約3時間(※自社調査)
近隣迷惑になる床下地工事の施工音を小さくし施工時間も短縮します。
メリット➃ 断熱性能
特殊吸音材による断熱効果
- OY430HS※ の特殊吸音材の熱伝導率:0.033 [ W / (m・K) ]
- 住宅金融支援機構の断熱材区分 【D】 に相当する性能
※ OY430HS:OY430高断熱仕様
『高性能グラスウール断熱材48K』と同等レベルの断熱性能(熱伝導率)
注記)熱伝導率:自社測定結果(JIS A 1412-2に準拠)
CADデータ配布
クリックするとCADデータをダウンロードできます。
お気軽にお問合せ・ご相談ください
お電話でのお問合せはこちら
0587-36-6100お電話でのお問合せはこちら
0587-36-6100
床、壁の遮音で困ったら イイダ産業
遮音性能の測定・解析から遮音問題解決のご提案までサポートします。
自社評価に加え、第三者機関を利用した測定・解析も実施します。
床衝撃試験
壁遮音試験













